Direkt zum Inhalt

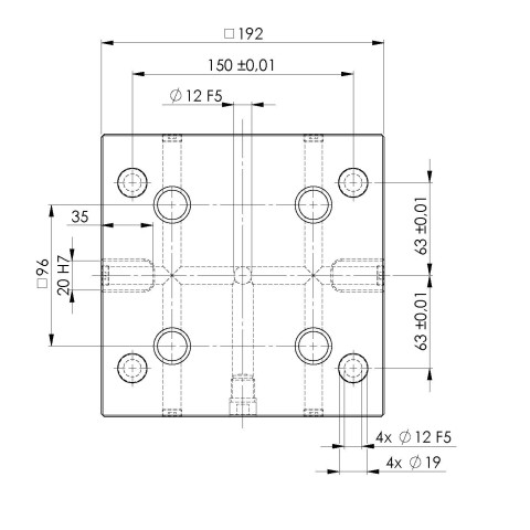
Quick•Point® 96, Rasterplatte 192 x 192 x 27 mm, mit Bohrungen für 63 mm Nutenabstand Art.-Nr. 45763

mit Bohrungen für 63 mm Nutenabstand
mit Bohrungen für 63 mm Nutenabstand mit Bohrungen für Quick•Tower Spannturm

Anschrift & Kontakt

LANG Technik Schweiz AG
Sandgrube 29
9050 Appenzell, Schweiz

Die wichtigsten Daten im Überblick

Diese Rasterplatte ist für Maschinentische mit einem Nutenabstand von 63 mm prädestiniert. Aufgrund ihrer Außenmaße von 192 x 192 mm ist der Bediener in der Lage, durch Aneinanderreihen mehrerer dieser Platten, ein durchgängiges 96 mm Nullpunktraster zu erzeugen und das Spannmittel plattenübergreifend zu platzieren. Ebenso kann diese Platte mit Mehrfachrasterplatten, wie beispielsweise der 2- oder 4-fach Rasterplatte, kombiniert werden.

Abmessungen
192 x 192 x 27 mm
Pratzrand vorhanden
Nein
Plattenübergreifendes Raster möglich
Ja
Spannart
Einfachspannung
Anzahl Spannstellen
1-fach
Befestigungsbohrungen
für 63 mm Nutenabstand
Ausrichtnuten
20 H7
M5 Indexierbohrungen
Nein, aber möglich (Serviceleistung)
Verpackungseinheit
1 Stück
Gewicht
7.1 kg
Material
Stahl

Weitere Produktmerkmale:

Anzugsmoment

30 Nm

Maximales Anzugsdrehmoment

Schraubstockgrösse

125

Passende Schraubstockgrösse

Quick-Lock nachrüstbar

Ja

Option des nachrüstbaren Schnellverschlusses

Rastermass

96

Rastermaß des Nullpunktspannsystems

Aufnahmebolzen

20 mm

Durchmesser der passenden Aufnahmebolzen

Hinweise:
Lieferumfang:
  • 1 x Nullpunktplatte
  • 4 x Quick•Point® Kunststoffabdeckungen ø 20 mm (Artikelnummer 45008-20)
  • Vorteile Quick•Point® Einzelplatten

    • Variantenvielfalt Lösungen für jede Art von Maschinentischen und Rundachsen
    • Einfachheit Unkomplizierte Handhabung dank einfachem, mechanischem Funktionsprinzip
    • Modifizierbarkeit Hohe Individualisierbarkeit und Anpassungsmöglichkeiten

    Quick•Point® Nullpunktspannsystem

    Das Quick•Point® Nullpunktspannsystem zeichnet sich durch eine besondere Variantenvielfalt aus und bietet für jede Werkzeugmaschine eine geeignete Lösung. Ob rund, rechteckig oder quadratisch in ihrer Form, für Einfach- oder Mehrfachspannungen ist es in Vertikal- und Horizontalbearbeitungszentren, auf 3- / 5-Achs-Tischen oder vierten Achsen universell einsetzbar.

    • Flexibilität An nahezu jede Werkzeugmaschine nachrüstbar, findet sich dank zahlreicher Varianten für jede Anwendung eine passende Lösung.
    • Einfache Bedienung Die einfache, robuste Mechanik und die geringe Anzahl an Bauteilen sorgt für höchste Langlebigkeit bei geringem Wartungsaufwand.
    • Modularität Ob Änderung der Systemgröße oder der Einsatz zusätzlicher Nullpunktkomponenten, Quick•Point® lässt sich nach Belieben ergänzen und erweitern.

    Erfahren Sie alles über die Vorteile und Funktionsweise unseres Quick•Point® Nullpunktspannsystem.

    Jetzt entdecken

    Anwendungsbilder

    Anwendungsvideos

    Downloads

    CAD-Modelle
    Datenblatt

    Serviceleistungen

    Gerne beraten wir Sie individuell und passen Ihre Produkte für den bestmöglichen Einsatzzweck an.

    Zum Kontakt

    Quick•Point® Nullpunktspannsystem

    Jetzt entdecken:

    Flexibel, hochgenau und enorm langlebig– mit dem modularen Quick•Point® Nullpunktspannsystem werden Rüstzeiten auf ein Minimum reduziert.

    Mehr erfahren
    Quick•Point® Nullpunktspannsystem